Teltan silmukat

Teltan silmukat

Olemme Nuote Metals Dongguan Kiinasta. Tehtaamme valmistaa vahvat telttasilmukat ulkokäyttöön. Olemme valmistaneet teltan silmukoita useiden vuosien ajan. Teltan silmukat on valmistettu hyvistä materiaaleista. Käytämme ruostumatonta terästä ja messinkiä, jotka eivät ruostu. Valmistamme telttasilmukoita eri kokoisina. Jotkut ovat pieniä kevyille telttoille. Jotkut ovat suuria raskaille telttoille. Työntekijämme tarkastavat jokaisen teltan silmukan. He varmistavat, että jokainen teltan silmukka on täydellinen. Monet retkeilyyritykset ostavat telttasilmukamme. He pitävät hyvästä laadustamme ja kohtuullisesta hinnastamme.

Lähetä kysely

Tuotteen Kuvaus

Teltan silmukat Esittely

Teltan silmukat ovat metallirenkaita telttoihin. Ne laitetaan telttakankaalle. Köydet ja tangot kulkevat näiden teltan silmukoiden läpi. Teltan silmukat tekevät teltasta vahvan ja vakaan. Ne estävät teltan kangasta repeytymästä tuulessa. Hyvät teltan silmukat voivat kestää useita vuosia. Edes sateessa ja auringossa ne eivät hajoa. Teltan silmukoiden asettaminen vaatii erikoiskoneen. Kone painaa teltan silmukan kankaaseen. Silloin teltan silmukka pysyy tiukasti paikallaan.



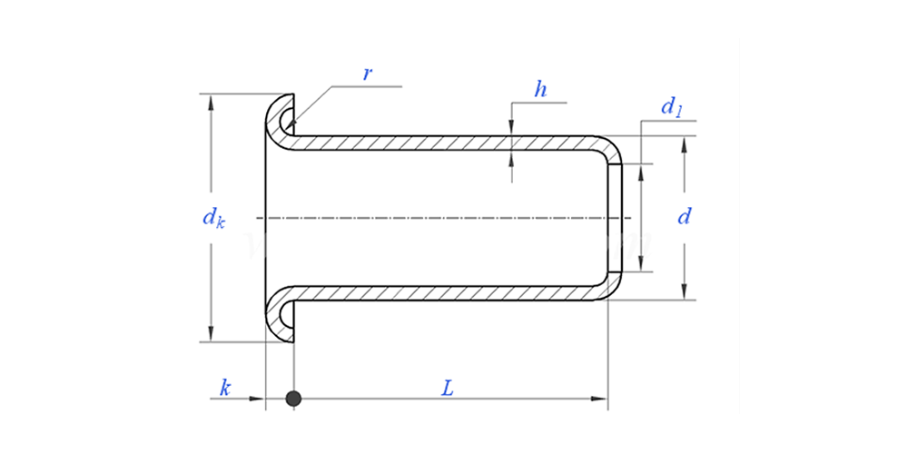
Teltan silmukan parametri (erittely)



Materiaali Messinki, teräs, alumiini, ruostumaton teräs, kupari
Pintakäsittely Puhdas, sinkitys, nikkelipinnoitus, hopeapinnoitus, pyynnöstä
Todistus Rohs-yhteensopiva
Varren halkaisija 0,8-10 mm
Toleranssi +/-0,05 mm
Sovellus Soveltuu käytettäväksi eri teollisuudenaloilla, mukaan lukien auto-, ilmailu-, sähkö- ja elektroniikkateollisuus jne.
Laadunvalvonta 100 % koko valikoiman tarkastus tuotannon kautta varmistaa, että jokainen tuote täyttää ISO-standardin, mikä takaa korkealaatuiset tuotteet.


Teltan silmukoiden piirustus alla:

Sovellusesitys:


Telttasilmukat Ominaisuus ja sovellus

Teltan silmukoita käytetään monin tavoin. Kaikki retkeilyteltat tarvitsevat teltan silmukat. Suurissa perheteltoissa käytetään monia teltan silmukoita. Ulkovarjoteltoissa käytetään myös telttasilmukoita. Joissakin pusseissa on telttasilmukat sitomista varten. Suojapeitteissä käytetään telttasilmukoita sitomiseen. Jopa jotkut urheiluvälineet tarvitsevat telttasilmukat. Teltan silmukat auttavat tekemään ulkoiluvarusteista turvallisia ja kestäviä. Siksi laadukkaat telttasilmukat ovat tärkeitä ulkoilutuotteissa. Asiakkaamme luottavat telttasilmukoihimme retkeilytarpeisiinsa.


Vaatteen silmukka Tuotantotiedot

Pakkaustiedot

FAQ:

Kysymys 1: Mikä on telttasilmukoiden MOQ?

Niittien MOQ on 20 000 kpl.


Q2: Voitko räätälöidä tekemisen piirustuksemme avulla?

Kyllä, suurin osa putkimaisista niiteistämme on räätälöity asiakkaan piirustuksen perusteella.


Q3: Voitteko tarjota ilmaisia ​​näytteitä ontoista niiteistä?

Voimme tarjota ilmaisia ​​näytteitä varastossamme olevan koon mukaan, mutta asiakkaat maksavat Express-maksut.


Q4: Mikä on toimitusaikasi?

Niittien koko varastossa: 3-5 päivää, Epätyypilliset niitit: 15-25 päivää. Toteutamme toimituksen mahdollisimman pian takuulaadulla.


Q5: Tuotteidesi laatu?

Yrityksellä on kehittyneet tuotanto- ja testauslaitteet. QC-osastomme tarkastaa kaikki tuotteet 100-prosenttisesti ennen lähettämistä.


Q6: Miksi valitsemme Nuote Technologyn?

1.We Nuote kunnioittaa asiakkaan ehtoja asiakkaiden tietosuojaprojektien suojaamiseksi.

2. Korkea laatu houkuttelevalla hinnalla

3. Nopea toimitusaika

4. Hyvää kauppaa ja rehellisyyttä asiakkaalle ja kumppanille

5. Ammattimainen myyntiilmoitus vastaa kyselyysi 8 tunnin kuluessa.

6.Nuoten tuotteita ja palveluita myydään yli 70 maassa, joilla on hyvä maine


Hot Tags: Telttasilmukat, Teltan silmukat valmistaja, Kiina Telttasilmukat
Aiheeseen liittyvä luokka
Lähetä kysely
Ole hyvä ja lähetä kyselysi alla olevalla lomakkeella. Vastaamme sinulle 24 tunnin kuluessa.
X
Käytämme evästeitä tarjotaksemme sinulle paremman selauskokemuksen, analysoidaksemme sivuston liikennettä ja mukauttaaksemme sisältöä. Käyttämällä tätä sivustoa hyväksyt evästeiden käytön. Tietosuojakäytäntö