Pienet Silmät
  • Pienet Silmät Pienet Silmät

Pienet Silmät

Nuote Metals on yksi johtavista pienten silmukoiden valmistajista Kiinassa yli 10 vuoden ajan, meillä on varastossa yli 3000 eri kokoa, varren halkaisija 0,8mm - 10mm, suurin osa varastosilmukoistamme on valmistettu messinkimateriaalista, mutta tarjoamme myös muita metallisilmukoita, kuten terästä, kuparia ja ruostumatonta terästä.

Lähetä kysely

Tuotteen Kuvaus

Pienten silmukoiden esittely


pienet silmukat ovat melko yksinkertaisia ​​komponentteja, jotka on yleensä luotu syväpiirustustekniikoilla. Tämän prosessin avulla litteät metallilevyt muunnetaan tiettyihin muotoihin. Tämä monimutkainen menettely sisältää useita metallinmuovausmenetelmiä, kuten tyhjennyksen, lävistyksen, taivutuksen ja lävistyksen, metallilevyn muokkaamiseksi. Metallileima käyttää merkittävää voimaa lävistimen kautta metallilevyjen muovaamiseen tai leikkaamiseen.


pienet silmukat


Small Eyelets


Metallisilmukoiden sovellus näyttää:


Small Eyelets



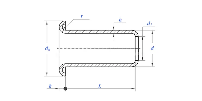
Tuoteparametri (erittely)


Materiaali

Messinki, teräs, kupari, ruostumaton teräs

Pintakäsittely

Puhdas, sinkitys, nikkelipinnoitus, hopeapinnoitus, pyynnöstä

Todistus

Rohs-yhteensopiva

Varren halkaisija

0,8-10 mm

Toleranssi

+/-0,05 mm

Sovellus

 Soveltuu käytettäväksi eri teollisuudenaloilla, mmautoteollisuus, ilmailu, sähkö ja elektroniikka jne.

Laadunvalvonta

100 % koko valikoiman tarkastus tuotannon kautta varmistaa, että jokainen tuote täyttää ISO-standardin, mikä takaa korkealaatuiset tuotteet.



Tuotteen ominaisuus ja sovellus


Erilaiset näkökohdat vaikuttavat metallisilmukan valintaan. Tärkein näkökohta on reiän koko; silmukan tulee sopia ja sillä on oltava riittävän suuri laipan halkaisija tarvittavaa käyttölujuutta varten. Materiaalin paksuuden tulee varmistaa, että silmukan piippu läpäisee tehokkaasti. Pienen kokonsa vuoksi pieniä silmukoita käytetään usein vahvistamaan reikiä esim. kiristysnaruille, kengännauhoille, nauhoille, pitsille tai joustavalle nyörille.


pienet silmukat Tuotantotiedot


Small Eyelets



Pakkaustiedot


Small Eyelets


FAQ:


Q1: Mikä on MOQ:si pienille silmukoille?

Niittien MOQ on 20 000 kpl.


Q2: Voitko räätälöidä tekemisen piirustuksemme avulla?

Kyllä, suurin osa metallisilmukoistamme on räätälöity asiakkaan piirustuksen perusteella.


Q3: Voisitteko tarjota ilmaisia ​​näytteitä ontoista niiteistä?

Voimme tarjota ilmaisia ​​näytteitä varastossamme olevan koon mukaan, mutta asiakkaat maksavat Express-maksut.


Q4: Mikä on toimitusaikasi?

Niittien koko varastossa: 3-5 päivää, Epätyypilliset niitit: 15-25 päivää. Toteutamme toimituksen mahdollisimman pian takuulaadulla.


Q5: Tuotteidesi laatu?

Yrityksellä on kehittyneet tuotanto- ja testauslaitteet. QC-osastomme tarkastaa kaikki tuotteet 100-prosenttisesti ennen lähettämistä.


Q6: Miksi valitsemme Nuote Technologyn?

1.We Nuote kunnioittaa asiakkaan ehtoja asiakkaiden tietosuojaprojektien suojaamiseksi.

2. Korkea laatu houkuttelevalla hinnalla

3. Nopea toimitusaika

4. Hyvää kauppaa ja rehellisyyttä asiakkaalle ja kumppanille

5. Ammattimainen myyntiilmoitus vastaa kyselyysi 8 tunnin kuluessa.

6.Nuoten tuotteita ja palveluita myydään yli 70 maassa, joilla on hyvä maine


Hot Tags: Pienet Silmät
Aiheeseen liittyvä luokka
Lähetä kysely
Ole hyvä ja lähetä kyselysi alla olevalla lomakkeella. Vastaamme sinulle 24 tunnin kuluessa.
X
Käytämme evästeitä tarjotaksemme sinulle paremman selauskokemuksen, analysoidaksemme sivuston liikennettä ja mukauttaaksemme sisältöä. Käyttämällä tätä sivustoa hyväksyt evästeiden käytön. Tietosuojakäytäntö