Ontot niitit
  • Ontot niitit Ontot niitit

Ontot niitit

Ontot niitit, joita kutsutaan myös silmukkaniiteiksi, yleensä valmistettu messingistä, teräksestä, kuparista, ruostumattomasta teräksestä, alumiinista jne., ne voidaan päällystää tinalla, nikkelillä, sinkillä jne. Nuote Metals on valmistanut onttoja niittejä yli 10 vuoden ajan Kiinassa, meillä on useita eri kokoja varastossa, tervetuloa lähettämään meille kysely räätälöidyn piirustuksen kanssa.

Lähetä kysely

Tuotteen Kuvaus

Onttojen niittien esittely


Niitit ja silmukat ovat molemmat teollisia kiinnikkeitä, joita käytetään kahden tai useamman materiaalin yhdistämiseen, mutta ne eroavat rakenteellisesta eheydestä ja toiminnasta. Silmukaniitit – eräänlainen ontto rengas tai putki – on suunniteltu vähemmän pysyvään, usein koristeelliseen tai puolipysyvään kiinnitykseen.


ontot niitit


hollow rivets


onttojen niittien sovellus näyttää:


hollow rivets



Tuoteparametri (erittely)


Materiaali

Messinki

Pintakäsittely

Puhdas, sinkitys, nikkelipinnoitus, hopeapinnoitus, pyynnöstä

Todistus

Rohs-yhteensopiva

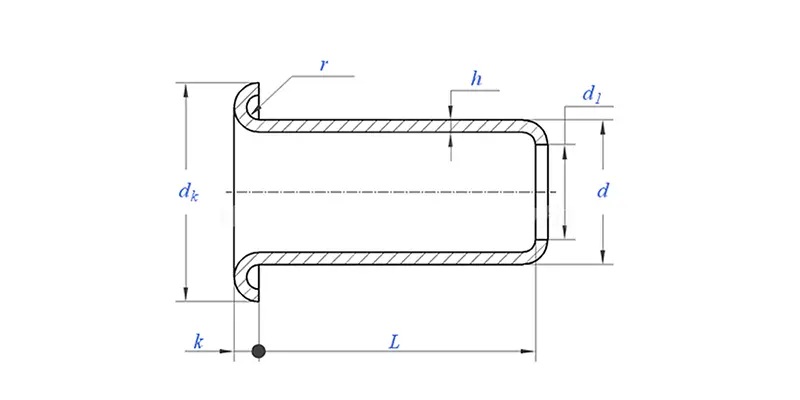
Varren halkaisija

0,8-10 mm

Toleranssi

+/-0,05 mm

Sovellus

 Soveltuu käytettäväksi eri teollisuudenaloilla, mmautoteollisuus, ilmailu, sähkö ja elektroniikka jne.

Laadunvalvonta

100 % koko valikoiman tarkastus tuotannon kautta varmistaa, että jokainen tuote täyttää ISO-standardin, mikä takaa korkealaatuiset tuotteet.


Tuotteen ominaisuus ja sovellus


Silmukkaniittien materiaaleja ovat alumiini, messinki tai teräs, joista jokaisella on erityisetuja korroosionkestävyyden, lujuuden ja kustannusten suhteen. ontot niitit puristetaan valmiiksi rei'itettyyn reikään materiaalin vahvistamiseksi ja viimeistellyn reunan aikaansaamiseksi. Niitä käytetään laajalti tekstiileissä, nahkatavaroissa, paperitavaroissa, pressuissa, ikkunaverhoissa ja askarteluun.


ontot niitit Tuotantotiedot


hollow rivets


Pakkaustiedot


hollow rivets


FAQ:


Q1: Mikä on MOQ-arvosi onttojen niittien kohdalla?

Niittien MOQ on 20 000 kpl.


Q2: Voitko räätälöidä tekemisen piirustuksemme avulla?

Kyllä, suurin osa putkimaisista niiteistämme on räätälöity asiakkaan piirustuksen perusteella.


Q3: Voisitteko tarjota ilmaisia ​​näytteitä ontoista niiteistä?

Voimme tarjota ilmaisia ​​näytteitä varastossamme olevan koon mukaan, mutta asiakkaat maksavat Express-maksut.


Q4: Mikä on toimitusaikasi?

Niittien koko varastossa: 3-5 päivää, Epätyypilliset niitit: 15-25 päivää. Toteutamme toimituksen mahdollisimman pian takuulaadulla.


Q5: Tuotteidesi laatu?

Yrityksellä on kehittyneet tuotanto- ja testauslaitteet. QC-osastomme tarkastaa kaikki tuotteet 100-prosenttisesti ennen lähettämistä.


Q6: Miksi valitsemme Nuote Technologyn?

1.We Nuote kunnioittaa asiakkaan ehtoja asiakkaiden tietosuojaprojektien suojaamiseksi.

2. Korkea laatu houkuttelevalla hinnalla

3. Nopea toimitusaika

4. Hyvää kauppaa ja rehellisyyttä asiakkaalle ja kumppanille

5. Ammattimainen myyntiilmoitus vastaa kyselyysi 8 tunnin kuluessa.

6.Nuoten tuotteita ja palveluita myydään yli 70 maahan hyvällä r


Hot Tags: Ontot niitit
Aiheeseen liittyvä luokka
Lähetä kysely
Ole hyvä ja lähetä kyselysi alla olevalla lomakkeella. Vastaamme sinulle 24 tunnin kuluessa.
X
Käytämme evästeitä tarjotaksemme sinulle paremman selauskokemuksen, analysoidaksemme sivuston liikennettä ja mukauttaaksemme sisältöä. Käyttämällä tätä sivustoa hyväksyt evästeiden käytön. Tietosuojakäytäntö