Teräsläpivienti

Teräsläpivienti

Terveisiä Dongguanista Kiinasta. Olemme Nuote Metals. Valmistamme täällä vahvoja teräsläpivientejä. Tehtaamme valmistaa teräsläpivientejä päivittäin. Käytämme hyvää teräsmateriaalia. Tämä teräs on paksua ja kestävää. Valmistamme teräsläpivientejä monessa eri koossa. Jotkut ovat pieniä. Jotkut ovat erittäin suuria. Tiimimme tarkastaa jokaisen teräsläpiviennin. He katsovat jokaista kappaletta huolellisesti. Monet asiakkaat ostavat teräsläpivientejämme yhä uudelleen ja uudelleen. He pitävät laadustamme. He luottavat tuotteisiimme. Teemme kovasti töitä tehdäksemme hyviä teräsläpivientejä kaikille.

Lähetä kysely

Tuotteen Kuvaus

Teräsläpivientien esittely

Teräsläpivienti on yksinkertainen metallirengas. Se menee kankaassa tai nahassa oleviin reikiin. Teräsläpivienti tekee reiästä vahvan. Kun laitat köyden sen läpi, reikä ei repeä. Teräsläpiviennit toimivat hyvin ulkona. Ne eivät ruostu helposti. Sade ja aurinko eivät vahingoita niitä paljon. Teräsläpivientien asentamiseen tarvitaan kone. Kone puristaa teräsläpiviennin materiaaliin. Sitten se pysyy siellä pitkään. Se ei irtoa. Näin teräsläpiviennit auttavat kestämään.



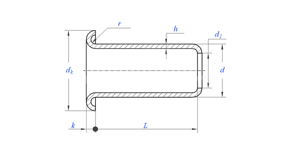
Teräsläpivientien parametri (erittely)



Materiaali teräs
Pintakäsittely Puhdas, sinkitys, nikkelipinnoitus, hopeapinnoitus, pyynnöstä
Todistus Rohs-yhteensopiva
Varren halkaisija 0,8-10 mm
Toleranssi +/-0,05 mm
Sovellus Soveltuu käytettäväksi eri teollisuudenaloilla, mukaan lukien auto-, ilmailu-, sähkö- ja elektroniikkateollisuus jne.
Laadunvalvonta 100 % koko valikoiman tarkastus tuotannon kautta varmistaa, että jokainen tuote täyttää ISO-standardin, mikä takaa korkealaatuiset tuotteet.




Teräsläpivientien piirustus alla:


Teräsläpivientien ominaisuus ja sovellus

Teräsläpivientejä käytetään monissa paikoissa. Kuorma-autojen kansien kiinnittämiseen käytetään teräsläpivientejä. Teltat tarvitsevat teräsläpiviennit köysiinsä. Laukuissa on teräsläpiviennit kahvoissa. Joissakin kengissä käytetään teräsläpivientejä nauhoina. Työvaatteissa on myös teräsläpiviennit. Ulkokylteissä käytetään usein teräsläpivientejä ripustamiseen. Jopa veneissä käytetään teräsläpivientejä kansissaan. Teräsläpiviennit ovat kaikkialla. Ne auttavat pitämään asiat yhdessä. ja tehdä asioista vahvoja ja turvallisia. Asiakkaamme valitsevat teräsläpivientimme, koska ne toimivat hyvin. He tietävät, että teräsläpivientimme eivät petä heitä. Olemme ylpeitä saadessamme tehdä niin hyödyllisiä tuotteita täällä Dongguanissa.


Teräsläpivientien tiedot

Steel Grommet Pakkaustiedot

FAQ:

Kysymys 1: Mikä on MOQ:si teräsläpiviennille?

Niittien MOQ on 20 000 kpl.


Q2: Voitko räätälöidä tekemisen piirustuksemme avulla?

Kyllä, suurin osa putkimaisista niiteistämme on räätälöity asiakkaan piirustuksen perusteella.


Q3: Voitteko tarjota ilmaisia ​​näytteitä ontoista niiteistä?

Voimme tarjota ilmaisia ​​näytteitä varastossamme olevan koon mukaan, mutta asiakkaat maksavat Express-maksut.


Q4: Mikä on toimitusaikasi?

Niittien koko varastossa: 3-5 päivää, Epätyypilliset niitit: 15-25 päivää. Toteutamme toimituksen mahdollisimman pian takuulaadulla.


Q5: Tuotteidesi laatu?

Yrityksellä on kehittyneet tuotanto- ja testauslaitteet. QC-osastomme tarkastaa kaikki tuotteet 100-prosenttisesti ennen lähettämistä.


Q6: Miksi valitsemme Nuote Technologyn?

1.We Nuote kunnioittaa asiakkaan ehtoja asiakkaiden tietosuojaprojektien suojaamiseksi.

2. Korkea laatu houkuttelevalla hinnalla

3. Nopea toimitusaika

4. Hyvää kauppaa ja rehellisyyttä asiakkaalle ja kumppanille

5. Ammattimainen myyntiilmoitus vastaa kyselyysi 8 tunnin kuluessa.

6.Nuoten tuotteita ja palveluita myydään yli 70 maassa, joilla on hyvä maine

Hot Tags: Teräsläpivienti, Kiina Teräsläpivienti, Teräsläpivientien valmistaja
Aiheeseen liittyvä luokka
Lähetä kysely
Ole hyvä ja lähetä kyselysi alla olevalla lomakkeella. Vastaamme sinulle 24 tunnin kuluessa.
X
Käytämme evästeitä tarjotaksemme sinulle paremman selauskokemuksen, analysoidaksemme sivuston liikennettä ja mukauttaaksemme sisältöä. Käyttämällä tätä sivustoa hyväksyt evästeiden käytön. Tietosuojakäytäntö