Silmukka terästä

Silmukka terästä

Olemme Nuote Metals, joka sijaitsee Dongguanissa. Tehtaamme on erikoistunut silmukkateräksen valmistukseen. Olemme työskennelleet silmukkateräksen kanssa monta vuotta. Tämäntyyppinen teräs on tehty vahvaksi ja helposti muovattavaksi. Jalostamme terästä ohuiksi levyiksi tai keloiksi. Sitten leikkaamme ja muotoilemme sen silmukoiksi. Silmukkateräsemme on puhdasta ja sileää. Siinä ei ole karkeita reunoja. Valmistamme tästä silmukkateräksestä monia kokoja. Jokaisen kappaleen laatu tarkastetaan. Monet asiakkaat ostavat silmukkaterästuotteitamme. He luottavat vahvuuteen ja lopputulokseen. Voimme myös räätälöidä silmukkaterästä erikoistilauksia varten.

Lähetä kysely

Tuotteen Kuvaus

Eyelet Steel -esittely

Silmukkateräs on valmistettu erikoisteräksestä. Se on pehmeämpi kuin jotkut muut teräkset. Tämän ansiosta terästä on helppo puristaa ja muotoilla. Kun teet silmukoita silmukkateräksestä, ne ovat vahvoja, mutta eivät hauraita. Ne voidaan taivuttaa rikkomatta. Silmukkateräksessä on usein kirkas tai pinnoitettu pinta. Tämä auttaa estämään ruostetta ja pitää sen hyvännäköisenä. Silmukkateräksen kanssa työskentelyyn käytämme meistokoneita. Koneet lävistävät teräksen pyöreiksi renkaiksi. Sitten näistä sormuksista tulee silmukoita, joita käytämme joka päivä.



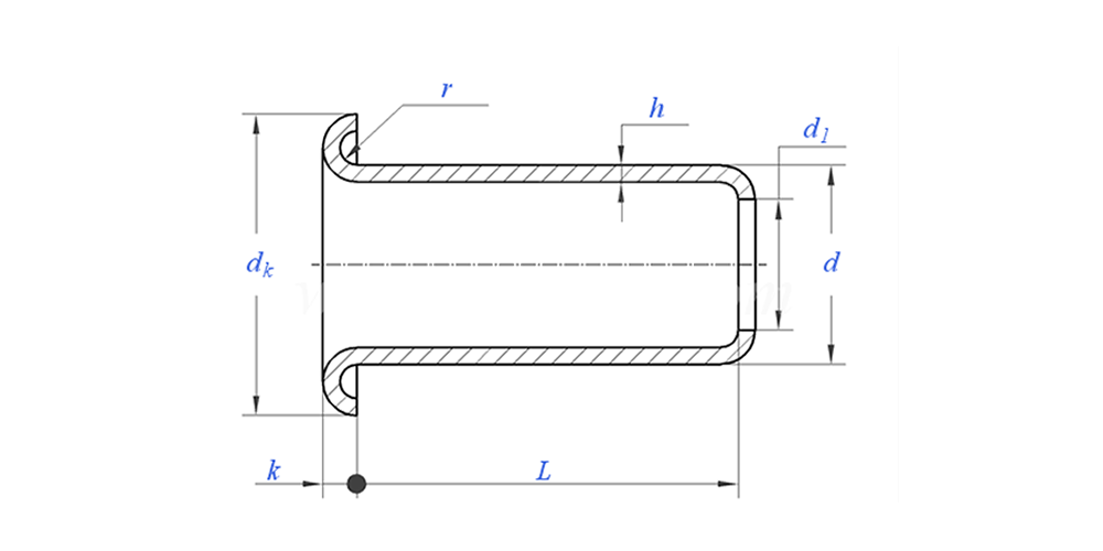
Silmukan teräsparametri (erittely)



Materiaali teräs
Pintakäsittely Puhdas, sinkitys, nikkelipinnoitus, hopeapinnoitus, pyynnöstä
Todistus Rohs-yhteensopiva
Varren halkaisija 0,8-10 mm
Toleranssi +/-0,05 mm
Sovellus Soveltuu käytettäväksi eri teollisuudenaloilla, mukaan lukien auto-, ilmailu-, sähkö- ja elektroniikkateollisuus jne.
Laadunvalvonta 100 % koko valikoiman tarkastus tuotannon kautta varmistaa, että jokainen tuote täyttää ISO-standardin, mikä takaa korkealaatuiset tuotteet.




piirustus alla:


Eyelet Steel -ominaisuus ja -sovellus

Kengän nauhoina käytetään silmukkaterästä. Laukut ja vyöt tarvitsevat niitä reikiä ja hihnoja varten. Ulkovarusteet, kuten teltat, käyttävät myös silmukkaterästä. Niitä on usein työvaatteissa ja univormuissa. Joissakin huonekaluissa ja auton kansissa käytetään terästä. Jopa lasten reput käyttävät pientä terästä. Nämä silmukat kestävät hyvin päivittäisessä käytössä. Ne ovat vahvoja eivätkä repeä materiaalia. Asiakkaamme valitsevat reikäteräksen luotettavan suorituskyvyn vuoksi. He tietävät, että silmukkateräs tekee työnsä hyvin. Olemme iloisia voidessamme toimittaa laadukasta silmukkaterästä Dongguan-pajaltamme.


Silmukan terästiedot

FAQ:

Q1: Mikä on MOQ:si silmukkateräkselle?

Niittien MOQ on 20 000 kpl.


Q2: Voitko räätälöidä tekemisen piirustuksemme avulla?

Kyllä, suurin osa putkimaisista niiteistämme on räätälöity asiakkaan piirustuksen perusteella.


Q3: Voitteko tarjota ilmaisia ​​näytteitä ontoista niiteistä?

Voimme tarjota ilmaisia ​​näytteitä varastossamme olevan koon mukaan, mutta asiakkaat maksavat Express-maksut.


Q4: Mikä on toimitusaikasi?

Niittien koko varastossa: 3-5 päivää, Epätyypilliset niitit: 15-25 päivää. Toteutamme toimituksen mahdollisimman pian takuulaadulla.


Q5: Tuotteidesi laatu?

Yrityksellä on kehittyneet tuotanto- ja testauslaitteet. QC-osastomme tarkastaa kaikki tuotteet 100-prosenttisesti ennen lähettämistä.


Q6: Miksi valitsemme Nuote Technologyn?

1.We Nuote kunnioittaa asiakkaan ehtoja asiakkaiden tietosuojaprojektien suojaamiseksi.

2. Korkea laatu houkuttelevalla hinnalla

3. Nopea toimitusaika

4. Hyvää kauppaa ja rehellisyyttä asiakkaalle ja kumppanille

5. Ammattimainen myyntiilmoitus vastaa kyselyysi 8 tunnin kuluessa.

6.Nuoten tuotteita ja palveluita myydään yli 70 maassa, joilla on hyvä maine


Hot Tags: Eyelet Steel, Eyelet Steel China, China Eyelets Factory
Aiheeseen liittyvä luokka
Lähetä kysely
Ole hyvä ja lähetä kyselysi alla olevalla lomakkeella. Vastaamme sinulle 24 tunnin kuluessa.
X
Käytämme evästeitä tarjotaksemme sinulle paremman selauskokemuksen, analysoidaksemme sivuston liikennettä ja mukauttaaksemme sisältöä. Käyttämällä tätä sivustoa hyväksyt evästeiden käytön. Tietosuojakäytäntö