PCB-silmukat

PCB-silmukat

PCB-silmukat ovat pieniä metallirenkaita, jotka on suunniteltu asennettavaksi piirilevyyn. Se saattaa näyttää yksinkertaiselta, mutta sillä on tärkeä rooli. Ihmiset käyttävät niitä vahvojen ja luotettavien reikien luomiseen piirilevyyn. Tämä pieni komponentti auttaa varmistamaan, että liitännät eivät vaurioidu asennuksen tai käytön aikana. Nuote Metals auttaa mielellään lisätietoa piirilevyjen silmukoista.

Lähetä kysely

Tuotteen Kuvaus

PCB-silmukoiden esittely

Piirilevyn silmukan päätehtävä on vahvistaa reikää. Se on tyypillisesti valmistettu messingistä ja usein päällystetty tinalla tai juottamalla. Tämä helpottaa komponenttien juottamista siihen. Levylle painettuna PCB-silmukka vahvistaa reikää estäen kuparijäljen halkeamia. Se toimii kuin kestävä holkki, joka suojaa herkkää piirilevymateriaalia.


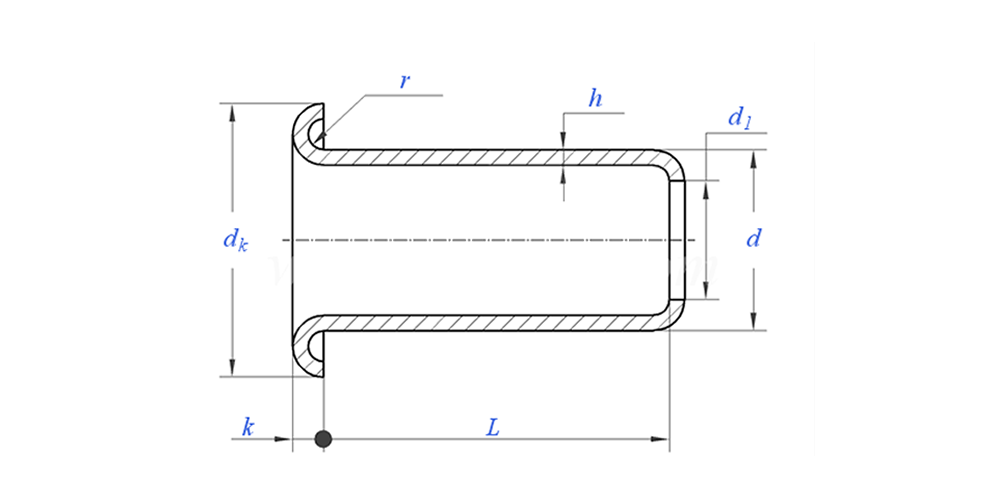
PCB-silmukoiden piirustus alla:

PCB Eyelets -parametri (erittely)



Materiaali Messinki
Pintakäsittely Puhdas, sinkitys, nikkelipinnoitus, hopeapinnoitus, pyynnöstä
Todistus Rohs-yhteensopiva
Varren halkaisija 0,8-10 mm
Toleranssi +/-0,05 mm
Sovellus Soveltuu käytettäväksi eri teollisuudenaloilla, mukaan lukien auto-, ilmailu-, sähkö- ja elektroniikkateollisuus jne.
Laadunvalvonta 100 % koko valikoiman tarkastus tuotannon kautta varmistaa, että jokainen tuote täyttää ISO-standardin, mikä takaa korkealaatuiset tuotteet.



PCB-silmukoiden sovellus näyttää:


PCB Eyelets -ominaisuus ja sovellus

Löydät PCB-silmukat, joita käytetään monissa elektronisissa tuotteissa. Ne sopivat erinomaisesti paikkoihin, joissa tarvitaan vahva liitäntäpiste, kuten muuntaja tai suuri komponenttijalka. PCB-silmukka on yleinen myös testipisteissä, joissa anturi saattaa kytkeytyä toistuvasti. Kytkimissä tai liittimissä PCB-silmukka varmistaa, että mekaaninen rasitus kohdistuu metalliholkkiin, ei itse herkästi. Ne ovat välttämättömiä kestävän elektroniikan valmistamiseksi.


PCB-silmukat Tuotantotiedot

Pakkaustiedot

FAQ:

Q1: Mikä on PCB-silmukoiden MOQ?

Niittien MOQ on 20 000 kpl.


Q2: Voitko räätälöidä tekemisen piirustuksemme avulla?

Kyllä, suurin osa putkimaisista niiteistämme on räätälöity asiakkaan piirustuksen perusteella.


Q3: Voitteko tarjota ilmaisia ​​näytteitä ontoista niiteistä?

Voimme tarjota ilmaisia ​​näytteitä varastossamme olevan koon mukaan, mutta asiakkaat maksavat Express-maksut.


Q4: Mikä on toimitusaikasi?

Niittien koko varastossa: 3-5 päivää, Epätyypilliset niitit: 15-25 päivää. Toteutamme toimituksen mahdollisimman pian takuulaadulla.


Q5: Tuotteidesi laatu?

Yrityksellä on kehittyneet tuotanto- ja testauslaitteet. QC-osastomme tarkastaa kaikki tuotteet 100-prosenttisesti ennen lähettämistä.


Q6: Miksi valitsemme Nuote Technologyn?

1.We Nuote kunnioittaa asiakkaan ehtoja asiakkaiden tietosuojaprojektien suojaamiseksi.

2. Korkea laatu houkuttelevalla hinnalla

3. Nopea toimitusaika

4. Hyvää kauppaa ja rehellisyyttä asiakkaalle ja kumppanille

5. Ammattimainen myyntiilmoitus vastaa kyselyysi 8 tunnin kuluessa.

6.Nuoten tuotteita ja palveluita myydään yli 70 maassa, joilla on hyvä maine


Hot Tags: PCB-silmukat, piirilevyn silmukat, Kiinan PCB-silmukat
Aiheeseen liittyvä luokka
Lähetä kysely
Ole hyvä ja lähetä kyselysi alla olevalla lomakkeella. Vastaamme sinulle 24 tunnin kuluessa.
X
Käytämme evästeitä tarjotaksemme sinulle paremman selauskokemuksen, analysoidaksemme sivuston liikennettä ja mukauttaaksemme sisältöä. Käyttämällä tätä sivustoa hyväksyt evästeiden käytön. Tietosuojakäytäntö