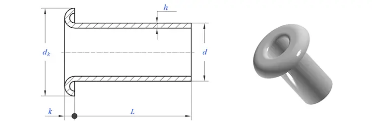
Voimme valmistaa pitkiä putkimaisia niittejä yli 3 miljoonaa kappaletta päivässä. toleranssi on yleensä +/-0,05 mm tai voimme tehdä asiakkaan pyynnöstä piirustuksen mukaan. Ne ovat Rohs-yhteensopivia ja niitä käytetään yleensä putkivalaisimissa tai muussa teollisuudessa.

Kysymys 1: Mikä on messinkisten onttojen tappien MOQ?
Niittien MOQ on 20 000 kpl.
Q2: Voitko räätälöidä tekemisen piirustuksemme avulla?
Kyllä, suurin osa ontoista tapeistamme on räätälöity asiakkaan piirustuksilla.
Q3: Voitteko tarjota ilmaisia näytteitä ontoista tapeista?
Voimme tarjota ilmaisia näytteitä varastossamme olevan koon mukaan, mutta asiakkaat maksavat Express-maksut.
Q4: Mikä on toimitusaikasi?
Niittien koko varastossa: 3-5 päivää, Epätyypilliset niitit: 15-25 päivää. Toteutamme toimituksen mahdollisimman pian takuulaadulla.
Q5: Tuotteidesi laatu?
Yrityksellä on kehittyneet tuotanto- ja testauslaitteet. QC-osastomme tarkastaa kaikki tuotteet 100-prosenttisesti ennen lähettämistä.
Q6: Miksi valitsemme Nuote Technologyn?
1.We Nuote kunnioittaa asiakkaan ehtoja asiakkaiden tietosuojaprojektien suojaamiseksi.
2. Korkea laatu houkuttelevalla hinnalla
3. Nopea toimitusaika
4. Hyvää kauppaa ja rehellisyyttä asiakkaalle ja kumppanille
5. Ammattimainen myyntiilmoitus vastaa kyselyysi 8 tunnin kuluessa.
6.Nuoten tuotteita ja palveluita myydään yli 70 maassa, joilla on hyvä maine