Verhosilmukat on suunniteltu sekä ulkonäköä että toimintaa varten. Niissä on sileä sisäpinta, jonka ansiosta verhotanko kulkee helposti läpi. Tämä tekee verhojen avaamisesta ja sulkemisesta erittäin helppoa. Silmät on myös suunniteltu pitämään muotonsa hyvin, estäen niitä taipumasta pois muodosta ajan myötä. Tämä vahvuus on laadukkaiden verhosilmukoiden keskeinen ominaisuus.
| Materiaali | Messinki, teräs, alumiini, ruostumaton teräs, kupari |
| Pintakäsittely | Puhdas, sinkitys, nikkelipinnoitus, hopeapinnoitus, pyynnöstä |
| Todistus | Rohs-yhteensopiva |
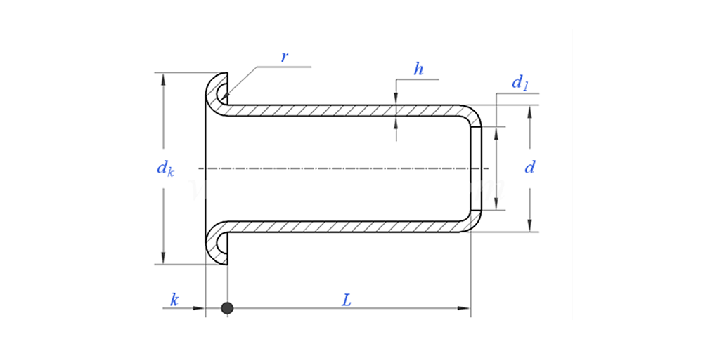
| Varren halkaisija | 0,8-10 mm |
| Toleranssi | +/-0,05 mm |
| Sovellus | Soveltuu käytettäväksi eri teollisuudenaloilla, mukaan lukien auto-, ilmailu-, sähkö- ja elektroniikkateollisuus jne. |
| Laadunvalvonta | 100 % koko valikoiman tarkastus tuotannon kautta varmistaa, että jokainen tuote täyttää ISO-standardin, mikä takaa korkealaatuiset tuotteet. |
Pääasiallinen käyttötarkoitus verhosilmukoille on tietysti riippuverhoissa. Ne luovat syviä ja tyylikkäitä taitoksia kankaaseen ja antavat erittäin nykyaikaisen ilmeen mihin tahansa huoneeseen. Koska verhosilmukat liukuvat niin sujuvasti tangossa, verhojen avaaminen tai sulkeminen vie hyvin vähän vaivaa. Tämä yksinkertainen järjestelmä tekee verhosilmukoista suositun ja käytännöllisen valinnan monille nykyään.

Q1: Mikä on verhosilmukoiden MOQ?
Niittien MOQ on 20 000 kpl.
Q2: Voitko räätälöidä tekemisen piirustuksemme avulla?
Kyllä, suurin osa putkimaisista niiteistämme on räätälöity asiakkaan piirustuksen perusteella.
Q3: Voitteko tarjota ilmaisia näytteitä ontoista niiteistä?
Voimme tarjota ilmaisia näytteitä varastossamme olevan koon mukaan, mutta asiakkaat maksavat Express-maksut.
Q4: Mikä on toimitusaikasi?
Niittien koko varastossa: 3-5 päivää, Epätyypilliset niitit: 15-25 päivää. Toteutamme toimituksen mahdollisimman pian takuulaadulla.
Q5: Tuotteidesi laatu?
Yrityksellä on kehittyneet tuotanto- ja testauslaitteet. QC-osastomme tarkastaa kaikki tuotteet 100-prosenttisesti ennen lähettämistä.
Q6: Miksi valitsemme Nuote Technologyn?
1.We Nuote kunnioittaa asiakkaan ehtoja asiakkaiden tietosuojaprojektien suojaamiseksi.
2. Korkea laatu houkuttelevalla hinnalla
3. Nopea toimitusaika
4. Hyvää kauppaa ja rehellisyyttä asiakkaalle ja kumppanille
5. Ammattimainen myyntiilmoitus vastaa kyselyysi 8 tunnin kuluessa.
6.Nuoten tuotteita ja palveluita myydään yli 70 maassa, joilla on hyvä maine