Messinki ontot niitit

Messinki ontot niitit

Messinkiset ontot niitit valmistetaan yleensä messinkiputkista. Messinkiputket ovat kovia, eivät helposti syöpyviä ja kestävät korkeita lämpötiloja ja korkeaa painetta. Niitä voidaan käyttää erilaisissa ympäristöissä. Samalla niitä on helpompi taivuttaa, vääntää, murtaa ja rikkoa kuin tavallisia metalleja. Nuote Metals on ammattimainen messinkionttojen niittien valmistaja Kiinassa, olemme toimineet tällä alalla yli 10 vuotta.

Lähetä kysely

Tuotteen Kuvaus

Messingisten onttojen niittien esittely


Messinkiset ontot niitit (tunnetaan myös nimellämessinki ontot niitit taisilmukkaniitit) käytetään yleisesti vaatteissa, elektroniikassa, sähkölaitteissa, jalkineissa, käsilaukuissa, vöissä ja niittaus-, koristelu-, kiinnitys- ja rei'ittämisvaatteissa. Messingiset ontot niitit vaativat uudelleen niittaamisen, ja niitä käytetään raskaiden työkappaleiden, usein ei-irrotettavien rakenteiden, liittämiseen. Onttoja messinkiniittejä käytetään laajalti. Nämä hihansuiset (pienempi pää) messingiset ontot niitit on valmistettu jäykästä letkusta ja ne voivat tunkeutua jopa 0,5 mm paksuisiin teräslevyihin ilman esiporausta. Ne kestävät taipumista ja muodonmuutoksia, ja niitä käytetään yleisesti kassakaapeissa.


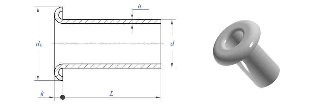
Piirustus messinkisen onton niitistä:


Messinkionttoniittien parametri (erittely)


Materiaali

messinki

Pintakäsittely

Puhdista, pinnoitus nikkelillä, sinkillä, kullalla, suikaleella, pyynnöstä

Todistus

Rohs-yhteensopiva

Varren halkaisija

0,8-10 mm

Toleranssi

+/-0,05 mm

Sovellus

 Soveltuu käytettäväksi eri teollisuudenaloilla, mmautoteollisuus, ilmailu,sähkö ja elektroniikka jne.

Laadunvalvonta

100 % koko valikoiman tarkastus tuotannon kautta varmistaa, että jokainen tuote täyttää ISO-standardin, mikä takaa korkealaatuiset tuotteet.



Messingin ontot niitit Ominaisuus ja sovellus


Messinkisiä onttoja niittejä käytetään useilla teollisuudenaloilla. Elektroniikassa ne yhdistävät johtoja tai komponentteja hyödyntäen niiden sähkönjohtavuutta signaalin siirron varmistamiseksi. Autoteollisuudessa niitä käytetään sisäosissa tai kevytrakenteissa, koska ne voidaan asentaa nopeasti ja ilman juottamista. Taloustavaroissa, kuten huonekaluissa tai koriste-esineissä, kupariniitit tarjoavat esteettisesti miellyttävät ja luotettavat liitokset. Muita käyttökohteita ovat lelut, valaistus ja tee-se-itse-projektit, joissa keveys ja korroosionkestävyys ovat edullisia.


messinki ontot niitit Tuotantotiedot


Pakkaustiedot

FAQ:


Q1: Mikä on messinkionttojen niittien MOQ?

Niittien MOQ on 20 000 kpl.


Q2: Voitko räätälöidä tekemisen piirustuksemme avulla?

Kyllä, suurin osa messinkisista ontoista niiteistämme on räätälöity asiakkaan piirustuksen perusteella.


Q3: Voisitteko tarjota ilmaisia ​​näytteitä messingin ontoista niiteistä?

Voimme tarjota ilmaisia ​​näytteitä varastossamme olevan koon mukaan, mutta asiakkaat maksavat Express-maksut.


Q4: Mikä on toimitusaikasi?

Niittien koko varastossa: 3-5 päivää, Epätyypilliset niitit: 15-25 päivää. Toteutamme toimituksen mahdollisimman pian takuulaadulla.


Q5: Tuotteidesi laatu?

Yrityksellä on kehittyneet tuotanto- ja testauslaitteet. QC-osastomme tarkastaa kaikki tuotteet 100-prosenttisesti ennen lähettämistä.


Q6: Miksi valitsemme Nuote Technologyn?

1.We Nuote kunnioittaa asiakkaan ehtoja asiakkaiden tietosuojaprojektien suojaamiseksi.

2. Korkea laatu houkuttelevalla hinnalla

3. Nopea toimitusaika

4. Hyvää kauppaa ja rehellisyyttä asiakkaalle ja kumppanille

5. Ammattimainen myyntiilmoitus vastaa kyselyysi 8 tunnin kuluessa.

6.Nuoten tuotteita ja palveluita myydään yli 70 maassa, joilla on hyvä maine





Hot Tags: Messinkionttojen niittien toimittaja, onttojen messinkiniittien tukkumyynti, teollisuuden messinkiniittien valmistaja
Aiheeseen liittyvä luokka
Lähetä kysely
Ole hyvä ja lähetä kyselysi alla olevalla lomakkeella. Vastaamme sinulle 24 tunnin kuluessa.
X
Käytämme evästeitä tarjotaksemme sinulle paremman selauskokemuksen, analysoidaksemme sivuston liikennettä ja mukauttaaksemme sisältöä. Käyttämällä tätä sivustoa hyväksyt evästeiden käytön. Tietosuojakäytäntö