316 ruostumattomasta teräksestä valmistetut silmukat

316 ruostumattomasta teräksestä valmistetut silmukat

Nuote Metals valmistaa Dongguanin tehtaallamme kestäviä 316 ruostumattomasta teräksestä valmistettuja silmukoita. Tämä materiaali on erityinen, koska se kestää ruostetta erittäin hyvin. Olemme valmistaneet 316 ruostumattomasta teräksestä valmistettua silmukkaa useiden vuosien ajan. Nämä silmukat ovat vahvoja ja kestävät pitkään. Valmistamme niitä eri kokoisina. Jotkut ovat pieniä herkille tuotteille. Jotkut ovat suuria raskaaseen käyttöön. Jokainen 316 ruostumattomasta teräksestä valmistettu silmukka on tiimimme tarkastama. Ne varmistavat, että jokainen pala on sileä ja puhdas. Monet asiakkaat valitsevat 316 ruostumattomasta teräksestä valmistetut silmukat. He luottavat laatuun ja kestävyyteen. Voimme toimittaa näytteitä muutaman päivän sisällä.

Lähetä kysely

Tuotteen Kuvaus

316 ruostumattomasta teräksestä valmistetut silmukat Johdanto

316 ruostumattomasta teräksestä valmistettua silmukkaa on valmistettu korkealaatuisesta teräksestä. Tämä teräs sisältää molybdeeniä. Tämän ansiosta 316 ruostumattomasta teräksestä valmistetut silmukat kestävät paremmin korroosiota. Ne eivät ruostu suolaisessa vedessä tai kosteassa ilmassa. Nämä silmukat ovat vahvoja myös paineen alaisena. Ne eivät taipu tai murtu helposti. 316 ruostumattomasta teräksestä valmistetun silmukan valmistukseen käytämme tarkkoja koneita. Koneet leikkaavat ja muotoilevat teräksen täydellisiksi renkaiksi. Sitten kiillotamme jokaisen 316 ruostumattoman teräksen silmukan. Tämä antaa niille kauniin lopputuloksen ja sileät reunat.


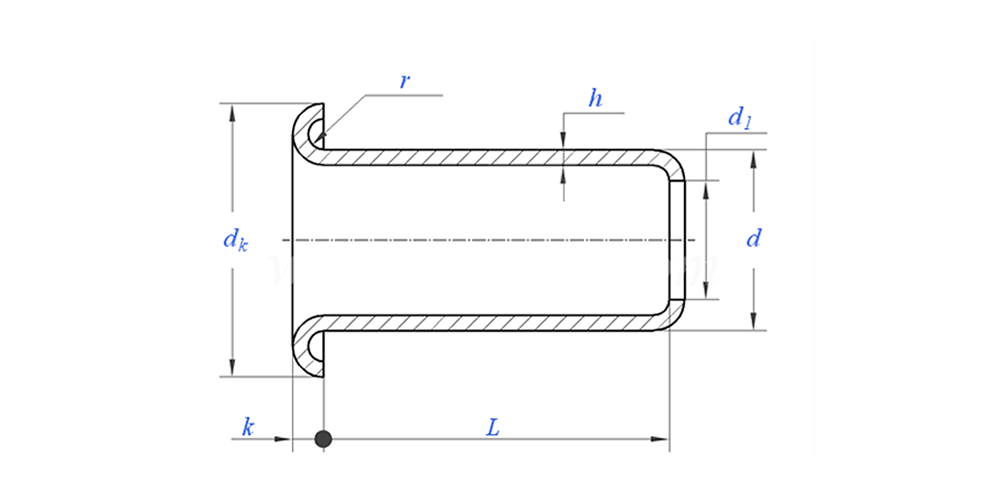
316 ruostumattomasta teräksestä valmistettujen silmukoiden piirustus alla:

316 ruostumattomasta teräksestä valmistettujen silmukoiden parametri (erittely)



Materiaali ruostumaton teräs
Pintakäsittely Puhdas, sinkitys, nikkelipinnoitus, hopeapinnoitus, pyynnöstä
Todistus Rohs-yhteensopiva
Varren halkaisija 0,8-10 mm
Toleranssi +/-0,05 mm
Sovellus Soveltuu käytettäväksi eri teollisuudenaloilla, mukaan lukien auto-, ilmailu-, sähkö- ja elektroniikkateollisuus jne.
Laadunvalvonta 100 % koko valikoiman tarkastus tuotannon kautta varmistaa, että jokainen tuote täyttää ISO-standardin, mikä takaa korkealaatuiset tuotteet.


316 ruostumattomasta teräksestä valmistetut silmukat Ominaisuus ja sovellus

316 ruostumattomasta teräksestä valmistettua silmukkaa käytetään vaikeissa ympäristöissä. Vene- ja laivavarusteet käyttävät niitä suolaisen veden takia. Ulkokalusteet käyttävät niitä kaikissa sääolosuhteissa. Kemialliset kasvit tarvitsevat niitä joskus niiden kestävyyden vuoksi. Elintarvikkeiden käsittelylaitteet voivat myös käyttää niitä. Laadukkaat ulkoiluvarusteet tarvitsevat näitä silmukoita. Jopa arkkitehtonisissa projekteissa käytetään 316 ruostumattomasta teräksestä valmistettua silmukkaa koristeluun ja toimivuuteen. Ne valitaan paikoista, joissa tavalliset silmukat ruostuisivat. Asiakkaamme luottavat 316 ruostumattomasta teräksestä valmistettuun silmukkoon tärkeissä sovelluksissa. He tietävät, että nämä silmukat toimivat hyvin ja näyttävät hyvältä vuosia. Olemme ylpeitä saadessamme tehdä niin luotettavia tuotteita täällä Dongguanissa.


316 ruostumattomasta teräksestä valmistetut silmukat


FAQ:

Q1: Mikä on MOQ-arvosi 316 ruostumattomasta teräksestä valmistettujen silmukoiden osalta?

Niittien MOQ on 20 000 kpl.


Q2: Voitko räätälöidä tekemisen piirustuksemme avulla?

Kyllä, suurin osa putkimaisista niiteistämme on räätälöity asiakkaan piirustuksen perusteella.


Q3: Voitteko tarjota ilmaisia ​​näytteitä ontoista niiteistä?

Voimme tarjota ilmaisia ​​näytteitä varastossamme olevan koon mukaan, mutta asiakkaat maksavat Express-maksut.


Q4: Mikä on toimitusaikasi?

Niittien koko varastossa: 3-5 päivää, Epätyypilliset niitit: 15-25 päivää. Toteutamme toimituksen mahdollisimman pian takuulaadulla.


Q5: Tuotteidesi laatu?

Yrityksellä on kehittyneet tuotanto- ja testauslaitteet. QC-osastomme tarkastaa kaikki tuotteet 100-prosenttisesti ennen lähettämistä.


Q6: Miksi valitsemme Nuote Technologyn?

1.We Nuote kunnioittaa asiakkaan ehtoja asiakkaiden tietosuojaprojektien suojaamiseksi.

2. Korkea laatu houkuttelevalla hinnalla

3. Nopea toimitusaika

4. Hyvää kauppaa ja rehellisyyttä asiakkaalle ja kumppanille

5. Ammattimainen myyntiilmoitus vastaa kyselyysi 8 tunnin kuluessa.

6.Nuoten tuotteita ja palveluita myydään yli 70 maassa, joilla on hyvä maine

Hot Tags: 316 ruostumattomasta teräksestä valmistetut silmukat, SUS316L silmukat, Kiina ruostumattomasta teräksestä valmistetut silmukat
Aiheeseen liittyvä luokka
Lähetä kysely
Ole hyvä ja lähetä kyselysi alla olevalla lomakkeella. Vastaamme sinulle 24 tunnin kuluessa.
X
Käytämme evästeitä tarjotaksemme sinulle paremman selauskokemuksen, analysoidaksemme sivuston liikennettä ja mukauttaaksemme sisältöä. Käyttämällä tätä sivustoa hyväksyt evästeiden käytön. Tietosuojakäytäntö