Pienet messinkisilmukat

Pienet messinkisilmukat

Nuote Metals Dongguanissa valmistaa pieniä messinkisilmukoita niitä tarvitseville asiakkaille. Nämä ovat pieniä metallirenkaita, jotka on valmistettu messingistä. Messinki on hyvä materiaali – se näyttää hyvältä, ei ruostu ja pysyy hyvin. Valmistamme pieniä messinkisilmukoita eri kokoisina, jotkin jopa muutaman millimetrin halkaisijaltaan. Jokaisen pienten messinkisilmukoiden erän sileät reunat ja tasainen muoto tarkistetaan. Ihmiset tulevat meille, kun he tarvitsevat pieniä messinkisiä silmukoita tuotteisiinsa. Voimme tehdä ensin näytteitä, jotta voit nähdä, miltä ne näyttävät ja sopivat.

Lähetä kysely

Tuotteen Kuvaus

Pienten messinkisilmukoiden esittely

Pieniä messinkisilmukoita käytetään vahvistamaan reikiä kevyissä materiaaleissa. Ihmiset laittavat ne kankaaseen, nahkaan tai paperiin estääkseen reikää repeytymästä. Koska ne ovat messinkiä, pienissä messinkisilmukoissa on kaunis kultainen väri, joka ei haalistu. Ne on myös helppo asettaa – yksinkertainen käsipuristin tai pieni kone työntää ne paikoilleen. Asennuksen jälkeen pienet messinkireiät pysyvät paikoillaan eivätkä irtoa. Pienen koon ansiosta ne ovat täydelliset herkille esineille, joissa isompi silmukka näyttäisi väärältä.


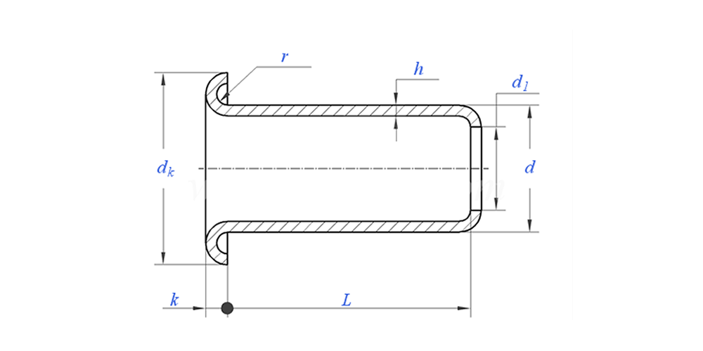
pienet messinkisilmukat, kuten alla:

Eri materiaaleista valmistamamme silmukat

Valmistamme erikokoisia messinkisilmukoita, ruostumattomasta teräksestä valmistettuja silmukoita ja terässilmukoita, alumiinisilmukoita, kuparisilmukoita ja erikoissilmukoita.

  


  


Erilaiset silmukoiden materiaalit ja niiden ominaisuudet

Materiaali Ominaisuudet Tyypillinen pintakäsittely Tyypilliset sovellukset Edut / Haitat / Huomautuksia
Messinki Hyvä sitkeys, houkutteleva väri, hyvä sähkönjohtavuus Nikkelipinnoitettu, kromattu, kullattu, harjattu, antiikki/vanhennettu Vaatteet, matkatavarat, vyöt, koriste-komponentit, elektroniikkaliittimet Edut: Helppo leimata, vahva koristeellinen vetovoima, hyvä korroosionkestävyys. Haitat: Kohtuulliset tai korkeat kustannukset; kuparipitoisuus voi tummua kosteissa ympäristöissä.
Rauta / Teräs Suuri lujuus, edullinen, magneettinen Sinkitty, mustattu, jauhemaalattu, e-coat, kuumasinkitty Teolliset pakkauslaatikot, kangastavarat, suojapeitteet, sähkölinjan silmukat Edut: Alhaiset kustannukset, suuri kantavuus. Haitat: Huono korroosionkestävyys ilman pinnoitetta; suhteellisen raskas.
Ruostumaton teräs Erinomainen korroosionkestävyys, korkea lujuus, ei-magneettinen tai heikosti magneettinen Kiillotettu, harjattu, passivoitu (yleensä ilman lisäpinnoitusta) Ulkoiluvarusteet, laivavarusteet, lääketieteelliset laitteet, kemialliset ympäristöt, huippuluokan matkatavarat Edut: Kestävä, kestää kovia ympäristöjä, täyttää saniteettivaatimukset. Haitat: Korkeat kustannukset; aiheuttaa suurempaa työkalun kulumista muotoilun aikana.
Alumiini Pienitiheys, kevyt, hyvä johtavuus, muodostaa luonnollisesti oksidikerroksen Anodisoitu, hiekkapuhallettu, luonnonoksidi, sinkitty Ilmailun kevyet komponentit, kannettavat laitteet, elektroniset kotelot, kevyet matkatavarat Edut: Kevyt, korroosionkestävä (oksidikerros). Haitat: Alempi lujuus kuin teräs; pehmeä pinta, joka on altis naarmuuntumiselle; ei sovellu korkean kuormituksen sovelluksiin.
Kupari Erinomainen sähkön- ja lämmönjohtavuus, pehmeä Tinattu, hopeoitu, nikkelipinnoitettu (hapettumisen estämiseksi) Piirilevyn niittaus, maadoitusliittimet, suurtaajuussuojausliitännät Edut: Ylivoimainen sähkön- ja lämmönjohtavuus. Haitat: Korkeat kustannukset; hapettuu helposti ilmassa; vaatii yleensä suojaavan pinnoituskerroksen.


Tuotteen ominaisuus ja sovellus

Pieniä messinkisiä silmukoita käytetään monissa asioissa. Vaatteet, kuten hupparit ja kengät, käyttävät niitä nauhoina. Pienissä laukkuissa ja kukkaroissa on pienet messinkireiät hihnoja varten. Käsityöprojektit, kuten leikekirjat, käyttävät niitä nauhan reikiin. Jopa jotkut elektroniikka ja laitteet käyttävät pieniä pieniä messinkisilmukoita johdotukseen tai asennukseen. Ne ovat yleisiä myös nahkatavaroissa, vyissä ja hatuissa. Kun tarvitset pienen, kauniin näköisen metallirenkaan, joka ei ruostu, pienet messinkireiät hoitavat asian. Asiakkaamme käyttävät niitä kaikenlaisissa tuotteissa.


Nuote Metalsin laadunvarmistusprosessi silmukaista


Mitä eroa on korkealaatuisella ja huonolaatuisella silmukalla?


Kuinka tilata silmukat Nuote Metalsilta?

Seuraa vain alla olevaa mukautettua prosessikaaviota.


UKK:

Q1: Mikä on MOQ pienille messinkisilmukoille?

Niittien MOQ on 20 000 kpl.


Q2: Voitko räätälöidä tekemisen piirustuksemme avulla?

Kyllä, suurin osa putkimaisista niiteistämme on räätälöity asiakkaan piirustuksen perusteella.


Q3: Voitteko tarjota ilmaisia ​​näytteitä ontoista niiteistä?

Voimme tarjota ilmaisia ​​näytteitä varastossamme olevan koon mukaan, mutta asiakkaat maksavat Express-maksut.


Q4: Mikä on toimitusaikasi?

Niittien koko varastossa: 3-5 päivää, Epätyypilliset niitit: 15-25 päivää. Toteutamme toimituksen mahdollisimman pian takuulaadulla.


Q5: Tuotteidesi laatu?

Yrityksellä on kehittyneet tuotanto- ja testauslaitteet. QC-osastomme tarkastaa kaikki tuotteet 100-prosenttisesti ennen lähettämistä.


Q6: Miksi valitsemme Nuote Technologyn?

1.We Nuote kunnioittaa asiakkaan ehtoja asiakkaiden tietosuojaprojektien suojaamiseksi.

2. Korkea laatu houkuttelevalla hinnalla

3. Nopea toimitusaika

4. Hyvää kauppaa ja rehellisyyttä asiakkaalle ja kumppanille

5. Ammattimainen myyntimainos vastaa kyselyysi 8 tunnin kuluessa.

6.Nuoten tuotteita ja palveluita myydään yli 70 maassa, joilla on hyvä maine

Hot Tags: Pienet messinkisilmukat, Kiinan messinkisilmukat, messinkisilmukat Valmistaja
Aiheeseen liittyvä luokka
Lähetä kysely
Ole hyvä ja lähetä kyselysi alla olevalla lomakkeella. Vastaamme sinulle 24 tunnin kuluessa.
X
Käytämme evästeitä tarjotaksemme sinulle paremman selauskokemuksen, analysoidaksemme sivuston liikennettä ja mukauttaaksemme sisältöä. Käyttämällä tätä sivustoa hyväksyt evästeiden käytön. Tietosuojakäytäntö