Alumiiniset silmukat

Alumiiniset silmukat

Täällä Dongguanin tehtaalla Nuote Metals valmistaa laadukkaita alumiinisilmukoita. Olemme keskittyneet alumiinisilmukoiden valmistukseen useiden vuosien ajan. Alumiinimme on valittu huolellisesti sekä kevyeksi että vahvaksi. Nämä alumiinisilmukat eivät ruostu, ja ne säilyttävät kirkkaan viimeistelynsä. Tarjoamme alumiinisilmukoita eri kokoisina. Jotkut ovat pieniä, toiset melko suuria. Henkilökuntamme tarkastaa jokaisen alumiinisilmukan. He tarkistavat muodon ja pinnan. Asiakkaat valitsevat usein alumiinisilmukamme. He pitävät niitä luotettavina ja hyvännäköisinä. Tarjoamme nopeita näytteitä niille, jotka haluavat kokeilla niitä.

Lähetä kysely

Tuotteen Kuvaus

Johdanto

Alumiininen silmukka on pieni rengas, joka on valmistettu alumiinista. Se auttaa vahvistamaan kankaassa tai muissa materiaaleissa olevia reikiä. Alumiinisilmukat ovat kevyempiä kuin useimmat metallisilmukat. Tämä tekee niistä helpon käsitellä ja lähettää. Ne suojaavat reikien reunoja kulumiselta. Kun nauhat tai narut vedetään läpi, materiaali pysyy ehjänä. Alumiinisilmukat kestävät vettä eivätkä ruostu. Niiden viimeistely pysyy kirkkaana ajan myötä. Yksinkertaista puristustyökalua käytetään alumiinisilmukoiden kiinnittämiseen. Kun ne on painettu paikoilleen, ne pysyvät turvassa eivätkä löysty.


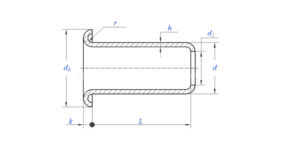
Alumiinisilmukoiden parametri (erittely)



Materiaali Alumiini
Pintakäsittely Puhdas, sinkitys, nikkelipinnoitus, hopeapinnoitus, pyynnöstä
Todistus Rohs-yhteensopiva
Varren halkaisija 0,8-10 mm
Toleranssi +/-0,05 mm
Sovellus Soveltuu käytettäväksi eri teollisuudenaloilla, mukaan lukien kankaat, teltat, kankaat jne.
Laadunvalvonta 100 % koko valikoiman tarkastus tuotannon kautta varmistaa, että jokainen tuote täyttää ISO-standardin, mikä takaa korkealaatuiset tuotteet.



alumiinisilmukkapiirustus alla:

Sovellusesitys:


Alumiinisilmukat Ominaisuus ja sovellus

Alumiinisilmukoilla on monia päivittäisiä käyttötarkoituksia. Niitä löytyy tennareista ja kevyistä nauhojen saappaista. Sadetakit ja tuulitakit käyttävät niitä hupun nauhoina. Kantalaukuissa ja repuissa on usein alumiinisilmukat. Leirintäteltat ja suojapeitteet voivat sisältää ne siivet. Urheiluvarusteet, kuten liput ja viirit, käyttävät myös alumiinisilmukoita. Jotkut suojakotelot ja kannet ovat myös riippuvaisia ​​niistä. Nämä alumiinisilmukat auttavat pitämään tuotteet toimivina ja siistinä. Asiakkaamme valitsevat alumiinisilmukamme, koska ne ovat kevyitä ja ruostumattomia. Olemme ylpeitä kestävien alumiinisilmukoiden valmistamisesta täällä Dongguanissa.


alumiinisilmukat Tuotantotiedot

Pakkaustiedot

FAQ:

Q1: Mikä on MOQ-arvosi alumiinisilmukoille?

Niittien MOQ on 20 000 kpl.


Q2: Voitko räätälöidä tekemisen piirustuksemme avulla?

Kyllä, suurin osa putkimaisista niiteistämme on räätälöity asiakkaan piirustuksen perusteella.


Q3: Voitteko tarjota ilmaisia ​​näytteitä ontoista niiteistä?

Voimme tarjota ilmaisia ​​näytteitä varastossamme olevan koon mukaan, mutta asiakkaat maksavat Express-maksut.


Q4: Mikä on toimitusaikasi?

Niittien koko varastossa: 3-5 päivää, Epätyypilliset niitit: 15-25 päivää. Toteutamme toimituksen mahdollisimman pian takuulaadulla.


Q5: Tuotteidesi laatu?

Yrityksellä on kehittyneet tuotanto- ja testauslaitteet. QC-osastomme tarkastaa kaikki tuotteet 100-prosenttisesti ennen lähettämistä.


Q6: Miksi valitsemme Nuote Technologyn?

1.We Nuote kunnioittaa asiakkaan ehtoja asiakkaiden tietosuojaprojektien suojaamiseksi.

2. Korkea laatu houkuttelevalla hinnalla

3. Nopea toimitusaika

4. Hyvää kauppaa ja rehellisyyttä asiakkaalle ja kumppanille

5. Ammattimainen myyntiilmoitus vastaa kyselyysi 8 tunnin kuluessa.

6.Nuoten tuotteita ja palveluita myydään yli 70 maassa, joilla on hyvä maine


Hot Tags: Alumiinisilmukat, alumiinisilmukat Kiina, alumiinisilmukat valmistaja
Aiheeseen liittyvä luokka
Lähetä kysely
Ole hyvä ja lähetä kyselysi alla olevalla lomakkeella. Vastaamme sinulle 24 tunnin kuluessa.
Liittyvät tuotteet
X
Käytämme evästeitä tarjotaksemme sinulle paremman selauskokemuksen, analysoidaksemme sivuston liikennettä ja mukauttaaksemme sisältöä. Käyttämällä tätä sivustoa hyväksyt evästeiden käytön. Tietosuojakäytäntö